Piping and instrumentation diagram

A Piping and Instrumentation Diagram (P&ID) is a detailed diagram in the process industry which shows process equipment together with the instrumentation and control devices. It is also called as mechanical flow diagram (MFD).[1]

Superordinate to the P&ID is the process flow diagram (PFD) which indicates the more general flow of plant processes and the relationship between major equipment of a plant facility.

Contents and function

Example of a single industrial control loop; showing continuously modulated control of process flow.
Piping and instrumentation diagram of pump with storage tank. Symbols according to EN ISO 10628 and EN 62424.
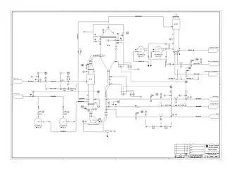
A more complex example of a P&ID.

A piping and instrumentation diagram (P&ID) is defined as follows:

  1. A diagram which shows the interconnection of process equipment and the instrumentation used to control the process. In the process industry, a standard set of symbols is used to prepare drawings of processes. The instrument symbols used in these drawings are generally based on International Society of Automation (ISA) Standard S5.1
  2. The primary schematic drawing used for laying out a process control installation.

They usually contain the following information:

  • Process piping, sizes and identification, including:
    • Pipe classes and piping line numbers
    • Flow directions
    • Interconnections references
    • Permanent start-up, flush and bypass lines
    • Pipelines and flowlines
    • Blinds and spectacle blinds
    • Insulation and heat tracing
  • Process control instrumentation and designation (names, numbers, unique tag identifiers), including:
    • Valves and their types and identifications (e.g. isolation, shutoff, relief and safety valves, valve interlocks)
    • Control inputs and outputs (sensors and final elements, interlocks)
    • Miscellaneous - vents, drains, flanges, special fittings, sampling lines, reducers and swages
  • Interfaces for class changes
  • Computer control system
  • Identification of components and subsystems delivered by others

P&IDs are originally drawn up at the design stage from a combination of process flow sheet data, the mechanical process equipment design, and the instrumentation engineering design. During the design stage, the diagram also provides the basis for the development of system control schemes, allowing for further safety and operational investigations, such as a Hazard and operability study (HAZOP). To do this, it is critical to demonstrate the physical sequence of equipment and systems, as well as how these systems connect.

P&IDs also play a significant role in the maintenance and modification of the process after initial build. Modifications are red-penned onto the diagrams and are vital records of the current plant design.

They are also vital in enabling development of;

  • Control and shutdown schemes
  • Safety and regulatory requirements
  • Start-up sequences
  • Operational understanding.

P&IDs form the basis for the live mimic diagrams displayed on graphical user interfaces of large industrial control systems such as SCADA and distributed control systems.

Identification and reference designation

Based on STANDARD ANSI/ISA S5.1 and ISO 14617-6, the P&ID is used for the identification of measurements within the process. The identifications consist of up to 5 letters. The first identification letter is for the measured value, the second is a modifier, 3rd indicates passive/readout function, 4th - active/output function, and the 5th is the function modifier. This is followed by loop number, which is unique to that loop. For instance FIC045 means it is the Flow Indicating Controller in control loop 045. This is also known as the "tag" identifier of the field device, which is normally given to the location and function of the instrument. The same loop may have FT045 - which is the flow transmitter in the same loop.

Letter Column 1
(Measured value)
Column 2
(Modifier)
Column 3
(Readout/passive function)
Column 4
(Output/active function)
Column 5
(Function modifier)
A Analysis Alarm
B Burner, combustion User choice User choice User choice
C User's choice (usually conductivity) Control Close
D User's choice (usually density) Difference Deviation
E Voltage Sensor
F Flow rate Ratio
G User's choice (usually gaging/gauging) Gas Glass/gauge/viewing
H Hand High
I Current Indicate
J Power Scan
K Time, time schedule Time rate of change Control station
L Level Light Low
M User's choice Middle / intermediate
N User's choice (usually torque) User choice User choice User choice
O User's choice Orifice Open
P Pressure Point/test connection
Q Quantity Totalize/integrate Totalize/integrate
R Radiation Record Run
S Speed, frequency Safety (Non SIS (S5.1)) Switch Stop
T Temperature Transmit
U Multivariable Multifunction Multifunction
V Vibration, mechanical analysis Valve or damper
W Weight, force Well or probe
X User's choice (usually on-off valve as XV) X-axis Accessory devices, unclassified Unclassified Unclassified
Y Event, state, presence Y-axis Auxiliary devices
Z Position, dimension Z-axis or Safety Instrumented System Actuator, driver or unclassified final control element

For reference designation of any equipment in industrial systems the standard IEC 61346 (Industrial systems, installations and equipment and industrial products — Structuring principles and reference designations) can be applied. For the function Measurement the reference designator B is used, followed by the above listed letter for the measured variable.

For reference designation of any equipment in a power station the KKS Power Plant Classification System can be applied.

Symbols of chemical apparatus and equipment

Below are listed some symbols of chemical apparatus and equipment normally used in a P&ID, according to ISO 10628 and ISO 14617.

Symbols of chemical apparatus and equipment
Pipe
Thermally insulated pipe
Jacketed pipe
Cooled or heated pipe
Flexible connection
Hydraulic pump
Pump
Vacuum pump or compressor
Fan
Axial fan
Radial fan
Dryer
Jacketed mixing vessel (autoclave)
Half pipe mixing vessel
Pressurized horizontal vessel
Pressurized vertical vessel
Packed column
Plate column
Furnace
Cooling tower
Heat exchanger
Coil heat exchanger
Cooler
Plate & frame heat exchanger
Double pipe heat exchanger
Fixed straight tubes heat exchanger
U-shaped tubes heat exchanger
Spiral heat exchanger
Covered gas vent
Curved gas vent
Air filter
Funnel or tundish
Steam trap
Viewing glass
Pressure reducing valve
Valve
Gate valve
Control valve
Manual valve
Check valve
Needle valve
Butterfly valve
Diaphragm valve
Ball valve
Check valve
Back draft damper
Bag
Gas bottle
Globe valve Globe valve Valve3 3-way valve P&ID Piston Compressor Symbol Piston or reciprocating compressor Spring safety valve Relief valve
Rupture disc Turboexpander Centrifugal pump Reciprocating pump

Historical use

Prior to the advent of computer-aided design (CAD) in the late 1980s, P&IDs were drawn by hand. The drawing template shown below, actual size 225.mm by 111 mm, is typical of those used to draw P&IDs.

Piping and instrumentation diagram manual drawing template (1980s). Symbol key:

  1. Vessel dished end
  2. Motor driven pump or compressor and baseplate
  3. Valves
  4. Valve diaphragm actuator
  5. Shell and tube heat exchanger
  6. Flexible hose, bellows
  7. [[Vacuum ejector] [Ejector]]
  8. Machine driven pump or other device
  9. Reducers

See also

References

  1. ^ Turton, Richard; Bailie, Richard C.; Whiting, Wallace B.; Shaeiwitz, Joseph A.; Bhattacharyya, Debangsu (2012). Analysis, synthesis, and design of chemical processes. Prentice Hall international series in the physical and chemical engineering sciences (4th ed.). Upper Saddle River, N.J. Munich: Prentice Hall. ISBN 978-0-13-261812-0.